飞艇168官方开奖历史

Online Service
 
Products
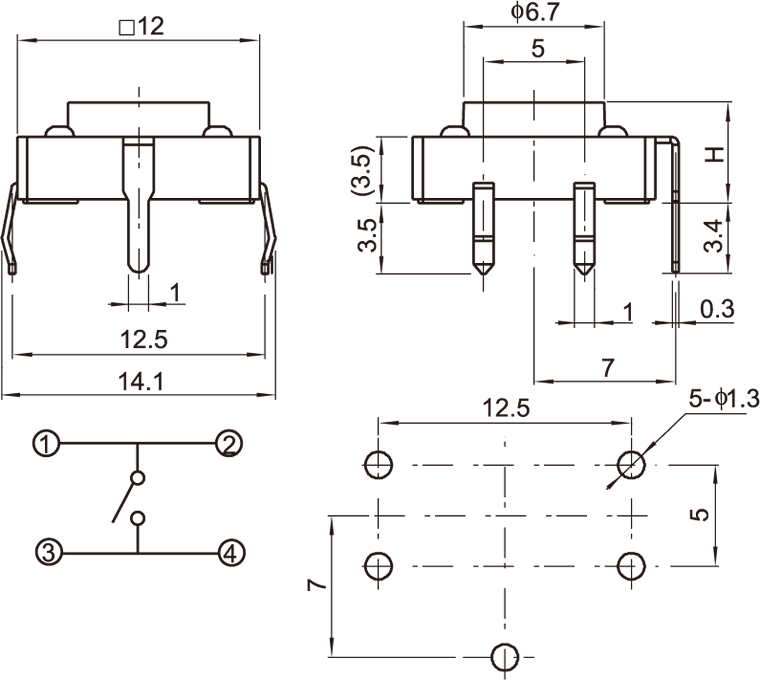
Position: Home >> Products > Tact Switch > KFC-086
KFC-086
飞艇168官方开奖历史