• 飞艇168官方开奖历史

    Online Service
     
    Products
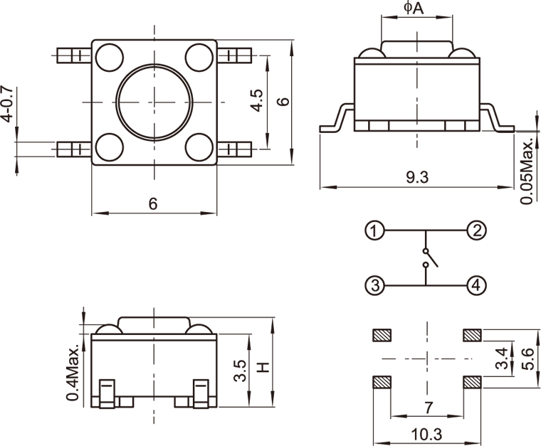
    Position: Home >> Products > Tact Switch > KFC-067
    KFC-067
    飞艇168官方开奖历史