飞艇168官方开奖历史
Close
Manager
Sales
Trade1
Trade2
Feedback
Online Service
ALIBABA STORE
|
中文版
|
ENGLISH
HOME
ABOUT US
PRODUCTS
NEWS
FEEDBACK
CONTACT
Products
Rocker Switch
Push Switch
Tact Switch
Illuminated Tact Switch
Press-Key Switch
Slide Switch
Push Button Switch
Micro Switch
Toggle Switch
AV Sole-Core Outlet Series
DC Power Jack Series
6.35 phones Jack Series
AC Power Socket Series
Metal Push Button Switch Series
Switch Cap Series
Waterproof Cap Series
Products
Position:
Home
>>
Products
>
Tact Switch
> KFC-061
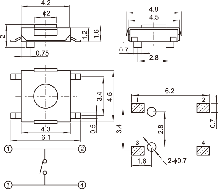
KFC-061
快乐84月亚军走势
时时彩十位走势图
时时彩冠军走势
幸运飞艇2月第四名开奖记录
时时彩亚军号码走势
飞艇168官方开奖历史