飞艇168官方开奖历史

Online Service
 
Products
Position: Home >> Products > Tact Switch > KFC-026
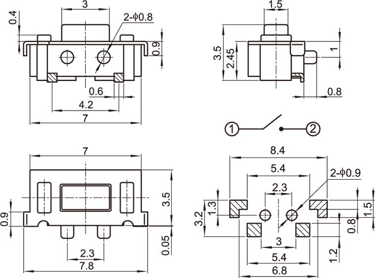
KFC-026
飞艇168官方开奖历史